
Pihamökin toimitus
Kun olet valinnut etsimäsi pihamökin, järjestämme toimituksen postinumeron perusteella. Varmista, että kuljetusajoneuvolla on pääsy pudotuspisteeseen.

Pihamajan pystytys
Meillä on erikoistunut asennuspalvelu, jonka voi tilata uuden puutuotteen kanssa. Lisää tämä vaihtoehto ostoskoriin, niin otamme sinuun yhteyttä keskustellaksemme yksityiskohdista. Maksa, kun työ on valmis!

Rungon pystytys
Rakennustiimimme on enemmän kuin onnellinen voidessaan luoda vahvan, riittävän perustan uudelle puutuotteellesi. Lisää vain vaihtoehto ostoskoriin, niin otamme sinuun yhteyttä keskustellaksemme yksityiskohdista tarjouksen tekemiseksi.
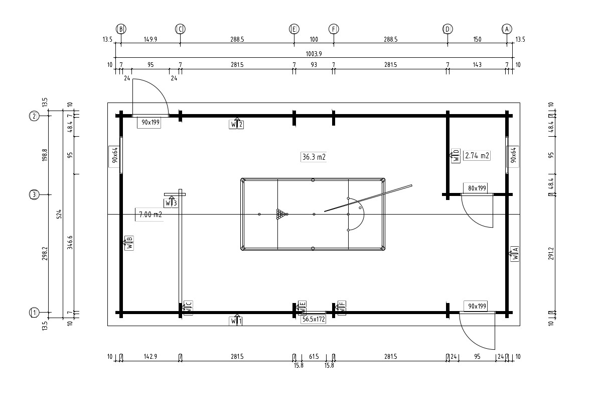
Taukotupa DUNDEE 90 A | 10.4 x 5.6 m; 90 mm
Onko sinulla
kysymyksiä?
28 mm lattialaudat
18 mm kattolaudat
Ovet ja ikkunat
PREMIUM sisä- ja ulko-ovet
Alkaen 17115.00€ Normaalihinta 19999.00€
Asti 29207.00€ Normaalihinta 32091.00€
Tuotekuvaus:
Tässä ihanassa hirsimökissä on runsaasti tilaa täysikokoiselle snooker-pöydälle ja viihtyisälle baarille, jossa voit nauttia elämästä perheen ja ystävien kanssa.Tekniset tiedot:
Sisäpinta-ala:
46.04
Hirsiprofiili:
90 mm
Katon tyyppi:
Harjakatto
Kerrosten lukumäärä:
1
Huoneiden lukumäärä:
2
Perustusten tyyppi:
Lämpöharkko
Betonilaatta
Sora
Ryömimistila
Päällystekivet
Pilariperustus
Puuperustus
Valmiusaste:
Luonnollinen (käsittelemätön)
Väri:
Luonnollinen puu (käsittelemätön)
Pohjan mitat:
524 X 1004 cm
Ikkunalasien tyyppi:
Kaksinkertaiset ikkunat
Huoneen mita:
984 x 504
Lattian toimitus:
Kyllä
Puulaatu:
Pohjoismainen kuusi, massiivinen
Ulko-oven tyyppi:
PREMIUM-ulkoovi
Ulko-oven lasin tyyppi:
Kaksinkertaiset ikkunat
Harjakorkeus:
249.8 cm
Räystäskorkeus:
216 cm
Kattoala:
59.4 m2
Ulko-oven mitat:
90 x 199 cm (2)
Sisäovien tyyppi:
Massiivipuiset sisäovet
Sisäovien mitat:
80 x 199 cm (1)
LAATUVAATIMUKSEMME
ENSILUOKKAISET OVET JA IKKUNAT
Ovissa ja ikkunoissa on kumitiivisteet ja karkaistua lasia. Ovi- ja ikkunakehykset massiivipuuta tai laminoituja.
HITAASTI KASVAVANUTTA POHJOISMAISTA PUUTA
Rakennusten pitkäikäisyyden takaa hitaasti kasvavanut pohjoismainen puu, joka on tiukkasyisempää ja kestävämpää
SAATAVILLA OLEVAT PUUPROFIILIT
Rakennuksemme on valmistettu puusta, joiden profiilit vaihtelevat 28 mm:n leveydestä aina 202 mm:n laminoituihin hirsiin.
TURVALLISET LUKITUSMEKANISMIT
Haluamme varmistaa, että piharakennuksesi on yhtä turvallinen kuin päärakennuksesikin - varsinkin jos se sisältää arvokkaita esineitä.
FLAT-PACK - TOIMITUS SISÄLTÄÄ KAIKEN
Flat-Pack - pakkauksemme sisältävät kaiken tarvittavan materiaalin nopeaan ja joustavaan asennukseen – aina neliömäisistä hirsistä ruuveihin ja kiinnikkeisiin.
HALUTESSASI SAAT MYÖS ERISTYKSEN
Jos haluat, että pihaakennuksesi kestää kylmempiä lämpötiloja, meillä on vaihtoehtoja seinä-, katto- ja lattiaeristykseen.
PONTATUT LATTIALAUDAT JA KATTOLAUDAT
Lattia- ja kattolaudoissa on pontit tiukan ja turvallisen istuvuuden takaamiseksi. Lähes kaikkiin tuotteisiimme kattolevyt ja lattialaudat kuuluvat vakiona.
KESTÄVÄT MATERIAALIT - PARASTA LAATUA
Tuotteidemme valmistukseen käytämme vain CE-sertifioitua puuta ja meillä on FSC-sertifikaatti. Prosessinhallinta täyttää ISO 9001 -standardin.
LÄMPÖLASIT IKKUINOISSA JA OVISSA
Emme tingi laadusta tai turvallisuudesta – kaikissa ovissa ja ikkunoissa on kaksin- tai kolminkertaiset karkaistut lasit.
LUKUISIA OVIVAIHTOEHTOJA
Meillä on tarjolla jännittäviä ovimalleja, aina perinteisistä erityyppisiin taitto- ja liukuoviin, jotta luonto avautuu sisään haluamallasi tavalla.
Miksi Pihamökki.fi?

YLI 70 VUODEN KOKEMUS
Tasainen varastokierto takaa nopeat toimitukset lyhyellä varoitusajalla. Tämä tekee meistä yhden Pohjois-Euroopan suurimmista ja kokeneimmista puutalovalmistajista. Yli 70 vuoden kokemuksella puutalojen valmistuksesta tiedämme, kuinka voimme täyttää asiakkaidemme odotukset.

HOMEHTUMATTOMUUSTAKUU
Annamme tuotteillemme 5-10 vuoden homehtumattomuustakuun (tuotteesta riippuen), koska arvostamme omaa laatuamme ja ammattitaitoamme. Jotta takuu pysyy voimassa, tuotteitamme on käsiteltävä maalilla tai öljypohjaisella säilöntäaineella huolto-ohjeidemme mukaisesti.

TOIMITUS MANNER-SUOMESSA
Varastossa oleville tuotteille voimme järjestää toimituksen 4-5 työpäivän kuluessa, mutta räätälöitynä ja loppuunmyytyjen tuotteiden toimitus kestää yleensä 10-12 viikkoa.
SUURI TUOTEVALIKOIMA
Laaja kokemuksemme puutalojen valmistuksesta on laajentanut valikoimaamme peruspaviljongeista aina monikerroksisiin moduulirakennuksiin. Verkkokauppamme tuotevalikoimaa päivitetään ja uudistetaan jatkuvasti, jotta voimme tarjota asiakkaillemme parhaan mahdollisen tuotevalikoiman.

KATTAVA VALIKOIMA PALVELUITA
Tarjoamme kattavan valikoiman palveluita myynnistä toimitukseen ja kokoonpanoon. Meillä on omia asiantuntijoita, mutta myös lukuisa joukko luotettavia yhteistyöyrityksiä, jotka auttavat meitä kuljetuksessa, rakentamisessa ja kokoonpanossa. Jos sinulla on kysyttävää, asiakaspalvelumme on käytettävissäsi sekä ennen ostoa että sen jälkeen. Huolellisesti valittujen lisävarusteiden (ja runsaasti vakiovarusteita sisältävien perustoimitusten) ansiosta löydät varmasti tuotteen, jonka muotoilu ja toiminnallisuus sopivat tarpeisiisi. Siksi parannamme ja laajennamme jatkuvasti valikoimaamme.
Tuotetuki ja -takuu
Asiakaspalvelumme auttaa kaikissa ostokseesi liittyvissä kysymyksissä. Jos sinulla on kysyttävää tuotteiden ominaisuuksista, kohtaat ongelmia asennuksen aikana tai tarvitset asiantuntijan ohjeita, älä epäröi ottaa meihin yhteyttä. Jos tarvitset tietoa rakennusluvasta, ole yhteydessä. Autamme myös, jos osia puuttuu tai haluat palauttaa tilaamasi tuotteen.
Jos haluat, että asiantuntijamme ottaa sinuun yhteyttä ja auttaa valitsemaan tarpeisiisi sopivan tuotteen, ota meihin yhteyttä - olemme tavoitettavissa sähköpostin tai puhelimen kautta.
Olemme ylpeitä tuotteidemme korkeasta laadusta, joka saavutetaan yhdistämällä tiukkasyinen pohjoismainen puu ja käsityötaito. Siksi tarjoamme 5-10 vuoden homehtumattomuustakuun tuotteesta riippuen. Takuu on voimassa, jos olet huolehtinut tuotteestasi antamiemme ohjeiden mukaisesti. Jos laatuongelmia ilmenee takuun aikana, korvaamme aiheutuneet ongelmat sovitulla tavalla.
Voit ottaa yhteyttä tukipalveluumme maanantaista perjantaihin klo 8.00–17.00 soittamalla numeroon:
puh: 040 5047 314 (yleinen)
info@pihamokki.fi
ASENNUS

PÄTEVÄ ASENNUSPALVELU
Meillä on erittäin pätevä asennuspalvelu, joka auttaa sinua saamaan uuden rakennuksen käyttöösi mahdollisimman nopeasti! Jos olet kiinnostunut asennuspalvelusta, lisää se ostoskoriin ennen ostoksen tekemistä. Otamme sinuun yhteyttä, sovimme aikataulusta ja keskustelemme asennuksen yksityiskohdista. Asennuspalvelun maksu suoritetaan rakennuksen valmistumisen jälkeen.

LATAA YLEISET ASENNUSOHJEET JA ASENNA TUOTE ITSE
Jos sinulla on jonkin verran kokemusta rakennus- tai asennustöista, noudata asennusohjetta: Lataa ohjeet TÄSTÄ
TUTUSTU OHJEISIIN HUOLELLISESTI
Lue ohjeet huolellisesti läpi ennen varsinaisen asennustyön aloittamista. Pihamökki.fi ei korvaa väärien asennustekniikoiden aiheuttamia vahinkoja.

KYSY APUA
Jos asennuksen aikana ilmenee kysymyksiä tai ongelmia, ota rohkeasti yhteyttä.Asiantuntijamme auttavat mielellään asennuksessa. Voit ottaa yhteyttä tukipalveluumme maanantaista perjantaihin klo 8.00–17.00 soittamalla numeroon 040 0712 439, tai voit kirjoittaa meille milloin tahansa osoitteeseen info@pihamokki.fi
Toimitus
TOIMITUS MANNER-SUOMESSA
Tarjoamme lisäpalveluna nopean toimituksen Suomeen.
ERITYINEN TOIMITUS SAATAVILLA
Jos haluat, että tuotteesi toimitetaan muualle kuin Manner-Suomeen tai tarvitset erikoistoimituksia vaikeasti saavutettavalle alueelle, ota meihin yhteyttä ennen ostoksen tekemistä.
PIKATOIMITUS
Toimitamme tuotteita, jotka ovat varastossa 4-5 työpäivän sisällä.
AMMATTITAITOINEN PALVELU
Tuotteemme toimitetaan enintään 7 metrin pituisissa kuorma-autoissa ja puretaan turvalliselle ja kätevälle alueelle nopeaa asennusta varten. Tuote saapuu säänkestävässä litteässä pakkauksessa.Valmistuneita kohteita





Ota yhteyttä
Haluatko saada lisätietoja pohjoismaisista laatutuotteistamme? Ota yhteyttä, niin palaamme asiaan!

