
Pihamökin toimitus
Kun olet valinnut etsimäsi pihamökin, järjestämme toimituksen postinumeron perusteella. Varmista, että kuljetusajoneuvolla on pääsy pudotuspisteeseen.

Pihamajan pystytys
Meillä on erikoistunut asennuspalvelu, jonka voi tilata uuden puutuotteen kanssa. Lisää tämä vaihtoehto ostoskoriin, niin otamme sinuun yhteyttä keskustellaksemme yksityiskohdista. Maksa, kun työ on valmis!

Rungon pystytys
Rakennustiimimme on enemmän kuin onnellinen voidessaan luoda vahvan, riittävän perustan uudelle puutuotteellesi. Lisää vain vaihtoehto ostoskoriin, niin otamme sinuun yhteyttä keskustellaksemme yksityiskohdista tarjouksen tekemiseksi.
SaunaFreak Box Sauna XXS 70 | 2.6 x 2.2 m; 70 mm
Onko sinulla
kysymyksiä?
28 mm lattialaudat
Ovet ja ikkunat
Saunalaudesetti, leppää
Alkaen 6195.00€ Normaalihinta 8345.00€
Asti 7313.00€ Normaalihinta 9463.00€
Tuotekuvaus:
Tyylikäs saunamökki SaunaFreak Box Sauna tarjoaa aidon pohjoismaisen saunakokemuksen. Peiliovi on oviklassikko ja näyttää hyvältä missä tahansa pihassa ja suojaa yksityisyytesi.Tekniset tiedot:
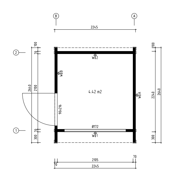
Sisäpinta-ala:
4.42
Hirsiprofiili:
70 mm
Katon tyyppi:
Tasakatto
Kerrosten lukumäärä:
1
Huoneiden lukumäärä:
1
Pohjan mitat:
264 X 224 cm
Ulko-oven tyyppi:
Karkaistua lasia, lukko ja kahva
Harjakorkeus:
254 cm
Kattoala:
5.9 m2
Ulko-oven mitat:
90 x 216 cm
Saunan kiukaan tyyppi:
Ei mitään
Löylyhuoneen lauteet:
Leppä
LAATUVAATIMUKSEMME
ENSILUOKKAISET IKKUNAT JA OVET
Tarjoamme erityyppisiä ovia ja ikkunoita saunoihimme, ja saatavilla on kauniisti suunnitellut karkaistut lasiovet.
KORKEALAATUINEN POHJOISMAINEN PUU
Tuotteidemme valmistukseen käytämme vain CE-sertifioitua puuta koska se on sopiva saunassa jossa sisä- ja ulkolämpötilat vaihtelevat suuresti.
LEPPÄ - HÖYRYHUONEEN PENKIT
Höyrysaunapenkit on valmistettu CE-sertifioidusta leppästä. Tämä tarkoittaa, että he eivät kuumene liian saunan lämmetessä.
HARVIA PREMIUM LAATUISET SAUNATARVIKKEET
Saunojemme kanssa tarjoamamme lisävarusteet ovat suomalaisten maailmankuulujen HARVIA-saunan asiantuntijoiden tekemiä.
FLAT-PACK - TOIMITUS
Flat-Pack -pakkauksemme sisältävät kaiken tarvittavan materiaalin nopeaan ja joustavaan asennukseen – aina neliömäisistä hirsistä ruuveihin ja kiinnikkeisiin.
KESTÄVÄT MATERIAALIT - PARASTA LAATUA
Tuotteidemme valmistukseen käytämme vain CE-sertifioitua puuta ja meillä on FSC-sertifikaatti. Prosessinhallinta täyttää ISO 9001 -standardin.
LÄMPÖLASIT IKKUINOISSA JA OVISSA
Emme tee kompromisseja - kaikissa ovissa ja ikkunoissa on karkaistut kaksi- tai kolmekerrostlasit korkean laadun ja turvallisuuden takaamiseksi.
LUKUISIA SAUNAVAIHTOEHTOJA
Saunavaihtoehtomme vaihtelevat pienistä suuriin, ja ne kattavat erityyppiset saunat eri hintaluokissa. Valitse mikä sopii sinulle parhaiten!Tuotetuki ja -takuu
Asiakaspalvelumme auttaa kaikissa ostokseesi liittyvissä kysymyksissä. Jos sinulla on kysyttävää tuotteiden ominaisuuksista, kohtaat ongelmia asennuksen aikana tai tarvitset asiantuntijan ohjeita, älä epäröi ottaa meihin yhteyttä. Jos tarvitset tietoa rakennusluvasta, ole yhteydessä. Autamme myös, jos osia puuttuu tai haluat palauttaa tilaamasi tuotteen.
Jos haluat, että asiantuntijamme ottaa sinuun yhteyttä ja auttaa valitsemaan tarpeisiisi sopivan tuotteen, ota meihin yhteyttä - olemme tavoitettavissa sähköpostin tai puhelimen kautta.
Olemme ylpeitä tuotteidemme korkeasta laadusta, joka saavutetaan yhdistämällä tiukkasyinen pohjoismainen puu ja käsityötaito. Siksi tarjoamme 5-10 vuoden homehtumattomuustakuun tuotteesta riippuen. Takuu on voimassa, jos olet huolehtinut tuotteestasi antamiemme ohjeiden mukaisesti. Jos laatuongelmia ilmenee takuun aikana, korvaamme aiheutuneet ongelmat sovitulla tavalla.
Voit ottaa yhteyttä tukipalveluumme maanantaista perjantaihin klo 8.00–17.00 soittamalla numeroon:
puh: 040 5047 314 (yleinen)
info@pihamokki.fi
ASENNUS

PÄTEVÄ ASENNUSPALVELU
Meillä on erittäin pätevä asennuspalvelu, joka auttaa sinua saamaan uuden rakennuksen käyttöösi mahdollisimman nopeasti! Jos olet kiinnostunut asennuspalvelusta, lisää se ostoskoriin ennen ostoksen tekemistä. Otamme sinuun yhteyttä, sovimme aikataulusta ja keskustelemme asennuksen yksityiskohdista. Asennuspalvelun maksu suoritetaan rakennuksen valmistumisen jälkeen.

LATAA YLEISET ASENNUSOHJEET JA ASENNA TUOTE ITSE
Jos sinulla on jonkin verran kokemusta rakennus- tai asennustöista, noudata asennusohjetta: Lataa ohjeet TÄSTÄ
TUTUSTU OHJEISIIN HUOLELLISESTI
Lue ohjeet huolellisesti läpi ennen varsinaisen asennustyön aloittamista. Pihamökki.fi ei korvaa väärien asennustekniikoiden aiheuttamia vahinkoja.

KYSY APUA
Jos asennuksen aikana ilmenee kysymyksiä tai ongelmia, ota rohkeasti yhteyttä.Asiantuntijamme auttavat mielellään asennuksessa. Voit ottaa yhteyttä tukipalveluumme maanantaista perjantaihin klo 8.00–17.00 soittamalla numeroon 040 0712 439, tai voit kirjoittaa meille milloin tahansa osoitteeseen info@pihamokki.fi
Toimitus
TOIMITUS MANNER-SUOMESSA
Tarjoamme lisäpalveluna nopean toimituksen Suomeen.
ERITYINEN TOIMITUS SAATAVILLA
Jos haluat, että tuotteesi toimitetaan muualle kuin Manner-Suomeen tai tarvitset erikoistoimituksia vaikeasti saavutettavalle alueelle, ota meihin yhteyttä ennen ostoksen tekemistä.
PIKATOIMITUS
Toimitamme tuotteita, jotka ovat varastossa 4-5 työpäivän sisällä.
AMMATTITAITOINEN PALVELU
Tuotteemme toimitetaan enintään 7 metrin pituisissa kuorma-autoissa ja puretaan turvalliselle ja kätevälle alueelle nopeaa asennusta varten. Tuote saapuu säänkestävässä litteässä pakkauksessa.Ota yhteyttä
Haluatko saada lisätietoja pohjoismaisista laatutuotteistamme? Ota yhteyttä, niin palaamme asiaan!

